본문 바로가기

전기상담실

전기상담실

질문과 답변

안내 (Q&A게시판 안내사항)

우리협회 업무와 관련하여 궁금하신 사항을 질문하시면 신속하고 성실하게 답변해 드리도록 하겠습니다.

답변내용은 참조용으로 한정 사용되며, 법적인 근거자료로 활용될 수 없습니다.

특정현장의 설계방법, 설계내용의 가부 판정 또는 시공방법 등에 대한 내용은 상담이 불가합니다.

공학적 계산이 필요한 부분 또는 전공교재 등의 대한 내용 문의는 상담이 불가합니다.

질문하시기전에 자주 묻는 Q&A(FAQ) 또는 통합검색(SEARCH) 기능을 통해 검색해 보시면 보다 신속하게 궁금하신 내용에 대한 답변을 얻으실 수 있습니다.

삭제하시겠습니까? 로그인이 필요합니다. 댓글 내용을 남겨주세요. 최대 글자수를 초과하였습니다. 복사가 완료되었습니다. 권한이 없습니다.

[8275] 8024항에 대해 추가질문 드립니다. TN-S 계통 보호도체

    • s○○
    • 2022.06.08 17:49
    • 3381

     

     

    아래 답변관련하여 추가질문드립니다.

     

    질의1의 질문을 변경하여 재 질문드립니다.

     

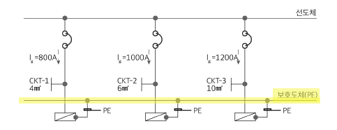
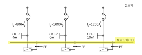
    TN-S 계통의 PE를 구성할 때 KEC142.3.2 의 1.라항 " 보호도체가 두개 이상의 회로에 공통으로 사용되면~~" 의 경우를 고려할 때, 한 개의 보호도체로 여러개의 전동기 등의 보호도체를 겸용하여 사용할 수 있는지요?

     

    예] 3상 전동기 X 3대 구성, TN-S계통 시 케이블 사양 : 3C 케이블로 전원공급 후 가장 큰 선도체 단면적을 기준으로 MAIN PE선을 선정한 후 각 모터(3대)별 선도체 단면적 기준 SUB PE선 분기 (아래 그림 참조)

     

         

    [그림1] 부하(전동기로 가정)와 별도로 PE선을 포설하여 각 부하를 연결


    그림2] 전동기용 케이블은 3C를 사용하고 PE선은 별도로 그림1]과 같이 연결

    위 그림과 같은 계통이 KEC(or IEC)의 TN-S 계통에 만족하는지요? (Main PE선은 계통접지와 연결)

    (일부 외자사에서 3C+PE 선을 사용하여 전동기별 개별 접지 방식만 TN-S로 된다는 주장이 있어서 질문드립니다)

     

    ---------------------------------------------------------------------------------------------------------​

     

       

     

     

    [ 8024 ] 기술기준 | 보호도체 적용 관련 문의
    작성자tigerstep조회561
    파일첨부 등록일22-03-18
     

    안녕하세요. 업무에 노고가 많으십니다.

    KEC 관련, 아래와 같이 2가지 질문 드립니다.


    1. TN-S 계통 관련 질문

    1) ​203.2 TN 계통의 설명 내 그림 203.2-1 에 노출도전부는 배전접지에 연결된 PE 에 연결되도록 되어 있습니다.

     

    2) 142.3.2 보호도체 설명

       보호도체의 종류는 다음에 의한다.

        가. 보호도체는 다음 중 하나 또는 복수로 구성하여야 한다.

        (1) 다심케이블의 도체

        (2) 충전도체와 같은 트렁킹에 수납된 절연도체 또는 나도체

        (3) 고정된 절연도체 또는 나도체

        (4) “나” (1), (2) 조건을 만족하는 금속케이블 외장, 케이블 차폐, 케이블 외장, 전선묶음, 동심도체, 금속관​​

     

    위 두 조항을 종합해 볼 때, TN-S 계통의 PE 는 꼭 상도체와 같은 케이블 내에 구성(ex. 3C+PE)될 필요는 없고 분리된 PE도 인정하므로, 설비의 보호접지망이 메쉬망을 통해 통합접지로 구성되어 변압기 중성점과 연결되어 있어 이를 PE 로 간주할 수 있는 것으로 해석하고 있습니다.

     

    결론적으로, TN-S 계통에서 메쉬망에 연결된 Motor 의 GV 를 별도의 분리된 PE로 간주하여 3C Cable 을 적용해도 문제가 없는지요?

     

    2. IT 계통 관련 질문

    1) 203.4 IT 계통의 설명 내 그림 203.4-2 를 보면 노출도전부가 설비의 보호접지 PE 에 연결되어 있음

    2) 203.4 IT 계통 핸드북 설명에 의하면 'IT 계통이란 전원 측은 대지로부터 절연시키거나 또는 높은 임피던스를 통해 대지에 접속시키고, 설비의 노출도전부를 전원 계통의 접지극과는 전기적으로 독립된 접지극의 보호도체에 의해 접지하는 접지계통을 말한다​' 라고 되어 있음

     

    이를 종합해서 해석하면, IT 계통에서는 Motor 의 Cable 선정 시 PE 도체를 포함한 3C+PE 를 선정할 필요가 없고, 메쉬망으로 구성한 통합접지망에 별도 GV Cable 로 연결하면 계통접지가 완성되는 것으로 해석하고 있습니다.

     

    결론적으로, IT 계통의 3상 Motor 에 3C+PE 가 아닌, 3C Cable 을 사용 가능한지요?

    답변글 담당부서전기상담실

     

     

     

    1. 우리 협회는 귀하 현장상황을 잘 알 수 없으나 전문가의 검토 결과에 따르면 메시망을 보호도체로 사용한다는 의미로 판단되는데메시망은 상기 2)의 (1)~(4)에 해당하지 않으므로보호도체로 사용하기 어려움을 알려드립니다(질의 1).

     

     

    2. 아울러 IT 방식에 사용하는 노출도전부의 접지는 전원측 계통접지에 연결할 필요가 없으므로, 3C Cable 사용이 가능합니다다만노출도전부는 필히 접지공사를 해야 함을 참고하시기 바랍니다(질의 2). .

     

     

    답변글

    • 전기상담실

     

    1. 귀하의 대한전기협회 홈페이지 방문을 환영하오며, 귀하께서는 8024번의 답변에 대하여 추가 질의하였으나 당초 질의에 대한 설명이나 보충질의는 당초 취지와 배경을 잘 아는 작성자 본인이 시행함이 타당할 것으로 사료됩니다.

     

    2. 아울러 귀하의 그림이 표기되지 않았으나 귀하 그림과 KEC 203.1을 참고하시어 TN-S, TT 등 적합한 계통접지 방식에 따라 적용하시기 바랍니다. .