전기상담실
안내 (Q&A게시판 안내사항)
우리협회 업무와 관련하여 궁금하신 사항을 질문하시면 신속하고 성실하게 답변해 드리도록 하겠습니다.
답변내용은 참조용으로 한정 사용되며, 법적인 근거자료로 활용될 수 없습니다.
특정현장의 설계방법, 설계내용의 가부 판정 또는 시공방법 등에 대한 내용은 상담이 불가합니다.
공학적 계산이 필요한 부분 또는 전공교재 등의 대한 내용 문의는 상담이 불가합니다.
질문하시기전에 자주 묻는 Q&A(FAQ) 또는 통합검색(SEARCH) 기능을 통해 검색해 보시면 보다 신속하게 궁금하신 내용에 대한 답변을 얻으실 수 있습니다.
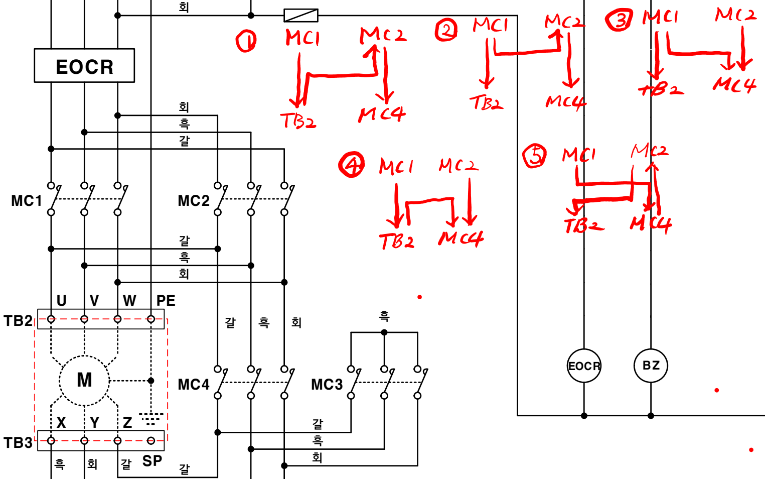
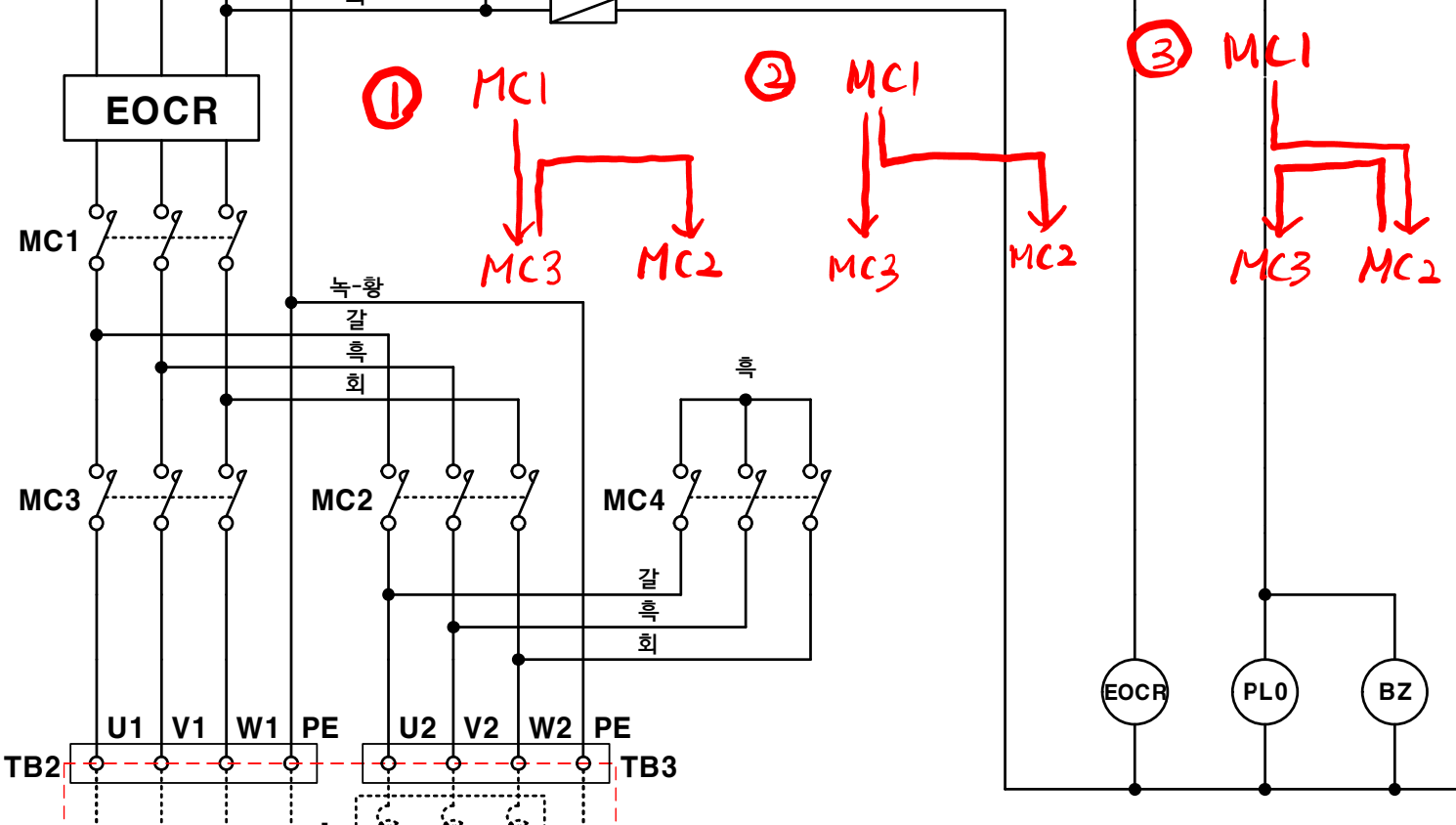
[9737] 주전원 결선 순서로 의견 충돌이 있었습니다. 확인 부탁드립니다.
질의분야 : KEC > 전기 > 저압배선
수험생과 시험 감독관 사이에 의견 대립이 있어, 명확한 해답을 듣고자 문의를 드립니다.
아래는 전기 기능장 작업형 공개 문제의 일부입니다.
시험장에서 수험생이 작업 완료 후, 감독이 아래 처음 그림의 MC1, MC2, MC3의 결선 순서를 가지고 틀렸다고 하여 문제가 되었습니다.
결선 순서가 정해져 있을까요?
시퀀스는 오른쪽에서 왼쪽으로, 위에서 아래로 빠짐없이 결선하여 동작에 문제가 없으나, 그 결선에 있어서 순서가 정해져 있느냐의 문제에 대한 문의입니다.
사실상 수험자 입장에서는 이런 문제 하나가 상당히 큰 부담으로 느껴질겁니다.
감독자 분께서 출제 위원에게 전화 통화까지 하였고, 출제 위원께서 감독자의 생각이 맞다고 하였습니다.
수험자 분께서는 3번 그림의 순서로 결선을 하였고, 감독자는 접속된 점이 표기가 되어 있으므로, 그림 1의 순서로 결선을 해야 된다는 의견이었습니다.

아래는 만약 감독자분과 출제위원분의 의견과 같다면 아래 그림의 결선 순서도 확인 받고 싶습니다.
기본적으로 결선은 어떻게 하든 문제가 될게 없다는게 저의 생각입니다만, 혹여나 하는 마음으로 문의 남깁니다. 명쾌한 답변을 기다리겠습니다. 감사합니다.

답변글
1. 귀하의 대한전기협회 방문을 환영합니다.
2. 귀하께서 전기기능장 시험의 답안에 대해 질의하였으나 우리협회에서는 특정 시험문제의 답안에 대한 자문업무를 수행하지 않아 답변이 어렵습니다. 해당분야 전문가에 문의하시기 바랍니다. 끝.